1. Material
Body-Brass / Nickel Plated
2. Insulator
Polyamide & Neoprene
3. Applications
For EMC cables
4. Protection class
IP68 (IEC60529)
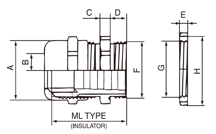
| PART NO | To suit cable dia between mm |
A | B | C | D | E | F | G | H | Number of threads per inch |
|---|---|---|---|---|---|---|---|---|---|---|
| PG-7 MSE | 2-6.5 | Ø13.8 | 6.7 | 3 | 5.1 | 2.8 | Ø12.4 | Ø12.6 | 15 | 20 |
| PG-9 MSE | 4-8 | Ø16.7 | 8.2 | 3.5 | 6 | 2.8 | Ø15.1 | Ø15.3 | 18 | 18 |
| PG-11 MSE | 5-10 | Ø19.7 | 10.2 | 3.5 | 6.1 | 3 | Ø18.4 | Ø18.6 | 21 | 18 |
| PG-13.5MSE | 6-12 | Ø21.7 | 12 | 3.5 | 6.5 | 3.1 | Ø20.2 | Ø20.4 | 23 | 18 |
| PG-16 MSE | 10-14 | Ø23.7 | 14 | 4 | 6.5 | 3.2 | Ø22.3 | Ø22.5 | 26 | 18 |
| PG-21 MSE | 13-18 | Ø29.7 | 18.1 | 4 | 7 | 3.7 | Ø28.0 | Ø28.2 | 32 | 16 |
| PG-29 MSE | 18-25 | Ø39.7 | 25.2 | 5 | 8 | 4.2 | Ø36.8 | Ø37.0 | 41 | 16 |
| PG-36 MSE | 22-32 | Ø49.7 | 34 | 5.9 | 15.1 | 5.2 | Ø46.8 | Ø47.0 | 51 | 16 |
| PG-42 MSE | 30-38 | Ø56.7 | 38.1 | 7 | 15.1 | 5.2 | Ø53.7 | Ø53.9 | 60 | 16 |
| PG-48 MSE | 34-44 | Ø63.6 | 44 | 7 | 10 | 6 | Ø59.0 | Ø59.2 | 66 | 16 |